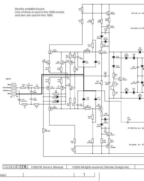
Mackie Fussion 3000 & 1800-SA , Schematics , Wiring , Parts


Product picture Mackie Fussion 3000 & 1800-SA  , Schematics , Wiring , Parts

16.95 USD

Buy button

Mackie Fussion 3000 & 1800-SA , Schematics , Wiring , Parts List

• PDF format suitable for Windows XP, Vista, 7 , 8 and Mac
• Most Complete Schematics Available
• Written by the Manufacturer
• Used by the Dealership Technicians
• You can print the specific pages you need to accomplish the repairs required or print the whole manual




Keywords: 3000-1800sa;allen;heath;service
File Size: 0 KBytes

Buy button
Do you want to become a reseller/affiliate and get 10.0% provision?
Embed: Create JavaScript Mobile Tag Widgets for your homepage
Mackie Fussion 3000 & 1800-SA , Schematics , Wiring , Parts Mackie Fussion 3000 & 1800-SA  , Schematics , Wiring , Parts 3000-1800sa;allen;heath;service 205075714 16.95 1renos Fresh Download Available!
UA-39463507-1